ITT Cannon MIKQ Series Push-Pull Micro-Miniature Connectors
QUICK-MATING PUSH-PULL MICRO-MINIATURE CONNECTOR
ITT Cannon MIKQ series Micro-Miniature connectors have a simple push-pull coupling system for quick mating and disconnect. The MIKQ series offers high performance in a rugged, lightweight package. These push-pull connectors are often used on panel-to-cable applications such as in avionics, test sets, communication equipment, high-reliability cameras, and medical applications. The heart of this ITT Cannon plug is the POSALINE MicroPin system, offering uncompromised performance, high normal force, excellent wipe and superior vibration performance. For full details on the ITT Cannon MIKQ series of Micro-Miniature connectors, see the specifications below.
|
ITT CANNON MIKQ SERIES FEATURES
- Push-pull coupling
- High density .050” spacing
- Front and rear panel mounting
- Pre-wired for easy assembly
- Fully potted wires for sealing and strain relief
- 100% electrically tested
- Available with shielded cable
ITT CANNON MIKQ SERIES MATERIALS & FINISHES
Coupling Ring Beryllium copper
Shell Plating Electroless nickel
Contacts Copper alloy per MIL-DTL-83513
Contact Plating Gold plate 50 microinches per MIL-G-45204
Insulator Glass filled thermoplastic per MIL-M-24519
Wire Insulated 26 AWG 19/38 stranded silver plated with TFE Teflon insulation per MIL-W-22759/11, color coded per MIL-STD-681 system 1. Uninsulated 25 AWG gold-plated copper per QQ-S-343
ITT CANNON MIKQ SERIES ELECTRICAL DATA
Dialectric Withstanding Voltage 900 Vac at sea level
Current Rating 3 Amps maximum
Wire Range Sizes 25-26 AWG standard (24-32 AWG special)
Contact Resistance 8 milliohms maximum
Insulation Resistance 5000 megohms minimum
ITT CANNON MIKQ SERIES MECHANICAL
Operating Temperature -55°C to 125°C (-67°F to 257°F)
Mating Life 500 cycles minimum
Coupling Strength 50 pounds (222 newtons) minimum
Number of Circuits 7, 19 and 37
|
|
ITT CANNON MIKQ SERIES APPLICATIONS
- Medical equipment
- Avionics
- Test sets
- Headsets
- Communication equipment
- High-reliability cameras
|
|
ITT CANNON MIKQ SERIES SELECT PART NUMBER EXAMPLE
Mating Face of Pin Insert
Plugs with Socket Contacts
Receptacles with Pin Contacts
6 Foot Shielded Cable

Standard

Rear Panel Mount

Front Panel Mount

MIKQ6-7SH156
MIKQ6-19SH58
MIKQ6-37SH6
MIKQ6-7SH07**
MIKQ6-19SH07**
MIKQ6-37SH07**
MIKQ9-7PH07**
MIKQ9-19PH07**
MIKQ9-37PH07**
MIKQ7-7PH07**
MIKQ7-19PH07**
MIKQ7-37PH07**
2 = 6" leads 4 = 18" leads 6 = 36" leads
Other lengths and special cables available, please contact us.
**Add Wire Length Code
Example: MIKQ7-37PH076 depicts 36" lead
|
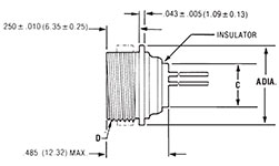
ITT CANNON MIKQ SERIES MIKQ6 PLUG
Avg. Weight oz. (gm.) ±5 %
*Back potting varies, threads may not be usable.
All dimensions are shown in inches (millimeters in parentheses)
ITT CANNON MIKQ SERIES MIKQ7 FRONT MOUNT RECEPTACLE
Avg. Weight oz. (gm.) ± 5%
All dimensions are shown in inches (millimeters in parentheses)
ITT CANNON MIKQ SERIES MIKQ9 REAR MOUNT RECEPTACLE
All dimensions are shown in inches (millimeters in parentheses)
|