ITT Cannon KJ Series 38999-Style Series II Miniature Circular Connectors
INTERMATEABLE WITH SOURIAU CONNECTORS AND ALL
38999-STYLE SERIES II
ITT Cannon KJ series 38999-Style Series II connectors offer high-density contact arrangements in a lightweight and low-profile miniature circular connector. ITT Cannon KJ series connectors have a quick-mating three-point bayonet coupling, are environmentally sealed and operate across a wide temperature range. ITT Cannon KJ series Mil-Spec connectors were originally designed for military vehicles and are now an industry standard for military and aerospace harsh environment applications. ITT Cannon’s KJ series is intermateable with Souriau connectors and all 38999-Style connectors. 38999-Style part number prefixes include: MS27472, MS27473, MS27474, MS27484, MS27497, MS27499, MS27500, MS27508, and MS27513. For full product details on the KJ series 38999-Style Series II, please see the specifications below.
|
FEATURESITT CANNON KJ SERIES FEATURES
MATERIALS & FINISHESITT CANNON KJ SERIES MATERIALS & FINISHES
Shell Aluminum alloy
Plating W - Olive drab chromate over cadmium over electroless nickel per QQ-P-416
F - (N) electroless nickel per QQ-N-290 Contacts Copper alloy
Platings Gold plate, 50 microinches per MIL-G-45204 type II, grade C, class 1
Insulator Hard plastic wafer which contains metal retention tines for high reliability retention of crimp contacts
Grommet & Seals Silicone-based elastomer
Grommet & Springs Beryllium copper (grounded plug only)
ELECTRICAL DATAITT CANNON KJ SERIES ELECTRICAL DATA
Test Voltage (Unmated Conditions)Service Rating Test Voltages N M I II Sea Level 1000 1300 1800 2300 100,000 feet 200 200 200 200 Operating Voltage Service Rating N M I II Operating Voltage 300VAC/450VDC 400VAC/500VDC 600VAC/850VDC 900VAC/1250VDC Current Rating by contact size and wire accomodations (Test Amps) Wire Size 22D 22M* 22* 20 16 12 28 1.5 1.5 - - - - 26 2.0 2.0 2.0 - - - 24 3.0 3.0 3.0 3.0 - - 22 5.0 - 5.0 5.0 - - 20 - - - 7.5 7.5 - 18 - - - - 10.0 - 16 - - - - 13.0 - 14 - - - - - 17.0 12 - - - - - 23.0 Contact Resistance of mated contacts end-to-end Contact Size/Wire Size Maximum Millivolt Drop 22D 73 22M* 45 22* 73 20 55 16 49 12 42 *Inactive for new designs MECHANICALITT CANNON KJ SERIES MECHANICAL
Operating Temperature A Plating -65°C to 150°C (-85°F to 302°F)
B Plating -65°C to 175°C (-85°F to 347°F) F (N) Plating -65°C to 200°C (-85°F to 392°F) Sealing Against sand, dust per MIL-STD-202 & ice
Wire Sealing Range Contact Size Minimum (Inches) Maximum (Inches) Minimum (mm) Maximum (mm) 22D 0.0300 0.054 0.76 1.37 22M* 0.030 0.050 0.76 1.27 22* 0.034 0.060 0.86 1.52 20 0.040 0.083 1.02 2.11 16 0.065 0.109 1.65 2.77 12 0.097 0.142 2.46 3.61 8 0.135 0.155 3.43 3.74 Insulation Strip Length Contact Size Strip Length Inches (mm) 22*, 22D or 22M* .125 (3.18) 20 .188 (4.77) 16 .188 (4.77) 12 .188 (4.77) Mating Life 500 cycles minimum: 250 for plug with grounding fingers (KJG6)
Salt Spray Finish A: 48 hour per MIL-STD-1344A method 1001 condition B
Finish B: 500 hour per MIL-STD 1344A method 1001 condition C Finish F (N): 48 hour per MIL-STD-1344A method 1001 condition B Heat Finish A: 150°C (302°F)
Finish B: 175°C (347°F) Finish F: 200°C (392°F) 1000 hours to MIL-STD-1344 method 1005 Chemical Resistance Lubricating oils, hydraulic fluids, coolants, deicing fluids per MIL-STD-1344A
Method 1016 condition a-1
Sine Vibration Not applicable
Random Vibration 43.7 grms at ambient temperatures
Shock 300 grms ± 15% for 3 ±1 milliseconds per MIL-DTL-38999J 4.7.23
EMI Shielding Effectiveness 100 MHz to 10 GHz - minimum attenuation of 45 dB
Contact Type Crimp, fiber optic, co-ax, twinax, thermocouple or printed circuit
Number of Circuits 3 to 128
Contact Insertion Insertion from rear of connector with simple plastic or high-quality metal hand tool. Extraction from rear with simple plastic or high-quality metal hand tools
Contact Retention Per MIL-DTL-38999 tested to MIL-STD-1344A method 2007
Contact Axial Load Newtons +/-10% Axial Load Pounds +/-10% 22*, 22D or 22M* 44 10 20 67 15 16 112 25 12 111 25 Polarization Three-point bayonet coupling, five keyways with optional master keyway rotations.
(Note: Insert and four minor keyways remain fixed.) |
|
ITT CANNON KJ SERIES APPLICATIONS
|
|
STEP 1: STYLEITT CANNON KJ SERIES MILITARY PART NUMBER EXAMPLE
1 2 3A 4 3B 5 6 7 MS27474 T 24 F 35 P -LC SHELL STYLE CLASS SIZE PLATING LAYOUT CONTACT POLARI- MODIFIER ITT CANNON KJ SERIES COMMERCIAL PART NUMBER EXAMPLE
1 2 3A 4 3B 5 6 7 KJ7 T 24 F 35 P N L/C SHELL STYLE CLASS SIZE PLATING LAYOUT CONTACT POLARI- MODIFIER STEP 1: CHOOSE STYLE
MS27472 MS27513E MS27508E MS27499E MS27473
MS27474 MS27497 KJ5R MS27484 INACTIVE STYLES
* Most popular STEP 2: CLASSSTEP 2: CHOOSE CLASS
T = No Rear Accessories F = Straight Strain Relief (KJ only, not MIL Spec) STEP 3: LAYOUTSTEP 3: CHOOSE LAYOUT (LISTED BY SIZE)
Contacts Layout Number Service Rating Total 22D 22M* 22* 20 16 12 8-6+ M 6 - 6 - - - - 8-35 M 6 6 - - - - - 8-98 I 3 - - - 3 - - 10-5 I 5 - - - 5 - - 10-13+ M 13 - 13 - - - - 10-35 M 13 13 - - - - - 10-98 I 6 - - - 6 - - 10-99 I 7 - - - 7 - - 12-3 II 3 - - - - 3 - 12-4 I 4 - - - - 4 - 12-8 I 8 - - - 8 - - 12-22+ M 22 - 22 - - - - 12-35 M 22 22 - - - - - 12-98 I 10 - - - 10 - - 14-5 II 5 - - - - 5 - 14-15 I 15 - - - 14 1 - 14-18 I 18 - - - 18 - - 14-35 M 37 37 - - - - - 14-37+ M 37 - 37 - - - - 14-97 I 12 - - - 8 4 - 16-6 I 6 - - - - - 6 16-8 II 8 - - - - 8 - 16-26 I 26 - - - 26 - - 16-35 M 55 55 - - - - - 16-42+ M 42 - - 42 - - - 16-55+ M 55 - 55 - - - - 16-99 I 23 - - - 21 2 - 18-11 II 11 - - - - 11 - 18-28 I 28 - - - 26 2 - 18-30 I 30 - - - 29 1 - 18-32 I 32 - - - 32 - - 18-35 M 66 66 - - - - - 18-53+ M 53 - - 53 - - - 18-66+ M 66 - 66 - - - - 20-1+ M 79 - 79 - - - - 20-2+ M 65 - - 65 - - - 20-16 II 16 - - - - 16 - 20-35 M 79 79 - - - - - 20-39 I 39 - - - 37 2 - 20-41 I 41 - - - 41 - - 22-1+ M 100 - 100 - - - - 22-2+ M 85 - - 85 - - - 22-21 II 21 - - - - 21 - 22-32 I 32 - - - 32 - - 22-35 M 100 100 - - - - - 22-53 I 53 - - - 53 - - 22-55 I 55 - - - 55 - - 24-1+ M 128 - 128 - - - - 24-2+ M 100 - - 100 - - - 24-4 I 56 - - - 48 8 - 24-24 I 24 - - - - 12 12 24-29 I 29 - - - - 29 - 24-35 M 128 128 - - - - - 24-61 I 61 - - - 61 - - When choosing layout: First Number = Step 3A - Shell Size Dash = Step 4 - Plating Second Number = 3B - Layout + Inactive for new designs * Co-ax ** Twinax *** Co-ax/Twinax Read Less LAYOUTS BY NUMBER OF CONTACTS
Drawing not to scale; mating-face view of pin insert shown (socket view is opposite). Contacts 3 4 5 6
Layout 8-98 12-3 12-4 10-5 14-5 8-6 8-35 # of Contacts 3-#20 3-#16 4-#16 5-#20 5-#16 6-#22M 6-#22D Service Rating I II I I II M M Contacts 6 7 8 10 11
Layout 10-98 16-6 10-99 12-8 16-8 12-98 18-11 # of Contacts 6-#20 6-#12 7-#20 8-#20 8-#16 10-#20 11-#16 Service Rating I I I I II I II Contacts 12 13 15 16 18
Layout 14-97 10-13 10-35 14-15 20-16 14-18 # of Contacts 8-#20; 4-#16 13-#22M 13-#22D 14-#20; 1-#16 16-#16 18-#20 Service Rating I M M I II I Contacts 21 22 23 24
Layout 22-21 12-22 12-35 16-99 24-24 # of Contacts 21-#16 22-#22M 22-#22D 21-#22; 2-#16 12-#16; 12#12 Service Rating II M M I I Contacts 26 28 29 30 32
Layout 16-26 18-28 24-29 18-30 18-32 # of Contacts 26-#20 26-#20; 2-#16 29-#16 29-#20; 1-#16 32-#20 Service Rating I I I I I Contacts 32 37 39 41
Layout 22-32 14-35 14-37 20-39 20-41 # of Contacts 32-#20 37-#22D 37-#22M 37-#20; 2-#16 41-#20 Service Rating I M M I I Contacts 42 53 55
Layout 16-42 18-53 22-53 16-35 16-55 # of Contacts 42-#22 53-#22 53-#20 55-#22D 55-#22M Service Rating M M I M M Contacts 55 56 61 65
Layout 22-55 24-4 24-61 20-2 # of Contacts 55-#20 48-#20; 8-#16 61-#20 65-#22 Service Rating I I I M Contacts 66 79 85
Layout 18-35 18-66 20-1 20-35 22-2 # of Contacts 66-#22D 66-#22M 79-#22M 79-#22D 85-#22 Service Rating M M M M M Contacts 100 128
Layout 22-1 22-35 24-2 24-1 24-35 # of Contacts 100-#22M 100-#22D 100-#22 128-#22M 128-#22 Service Rating M M M M M * Co-ax ** Twinax *** Co-ax/Twinax. Contact us for more information Read Less STEP 4: PLATINGSTEP 4: CHOOSE PLATING
Military Commercial B B Olive Drab Chromate over Cadmium over Electroless Nickel -65°C to 176°C F N Nickel -65°C to 200°C (-85°F to 392°F) A A Clear Chromate over Cadmium over Electroless Nickel -65°C to 150°C STEP 5: CONTACTSTEP 5: CHOOSE CONTACT
See step 6 if you are not ordering contacts with part
P = Pin A = Less Pin Contacts STEP 6: POLARIZATIONSTEP 6: CHOOSE POLARIZATION
Shell Size Normal A B C D 8 100 82 - - 118 10 100 86 72 128 114 12 100 80 68 132 120 14 100 79 66 134 121 16 100 82 70 130 118 18 100 82 70 130 118 20 100 82 70 130 118 22 100 85 74 126 115 24 100 85 74 126 115 STEP 7: MODIFIERSTEP 7: CHOOSE MODIFIER
-LC = For use with standard contacts, but supplied without contacts, seal plugs or tools Note: -LC is not marked on part
|
|
CONTACTSITT CANNON KJ SERIES CONTACTS - PINS
Contact Size Wire Size AWG Pin Contact Color Bands 1 Color Bands 2 Color Bands 3 Wire Strip Lengths Wire Range Min. Wire Range Max. Wire Hole Filler Color 22D 28,26, M39029/58-360 Orange Blue Black .125 (3.18) .030 (0.76) .054 (1.37) MS27488-22-2 Black *22M 28,26 M39029/58-361 Orange Blue Brown .125 (3.18) .030 (0.76) .050 (1.27) MS27488-22-2 Black *22 26,24 M39029/58-362 Orange Blue Red .125 (3.18) .034 (0.86) .060 (1.52) MS27488-22-2 Black 20 20,22 M39029/58-363 Orange Blue Orange .188 (4.77) .040 (1.02) .083 (2.11) MS27488-20-2 Red 16 16,18 M39029/58-364 Orange Blue Yellow .188 (4.77) .065 (1.65) .109 (2.77) MS27488-16-2 Blue 12 12&14 M39029/58-365 Orange Blue Green .188 (4.77) .097 (2.46) .142 (3.61) MS27488-12-2 Yellow 8 Co-ax+ - - - - - .135 (3.43) .155 (3.94) MS27488-8-3 - + For PC Pin, Co-ax and Fiber Optic contacts, contact us. * Inactive for new design. All dimensions in inches (millimeters in parentheses) ITT CANNON KJ SERIES CONTACTS - SOCKETS
Contact Size Wire Size AWG Socket Contact Color Bands 1 Color Bands 2 Color Bands 3 Wire Strip Lengths Wire Range Min. Wire Range Max. Wire Hole Filler Color 22D 28,26, M39029/57-354 Orange Green Yellow .125 (3.18) .030 (0.76) .054 (1.37) MS27488-22-2 Black *22M 28,26 M39029/57-355 Orange Green Green .125 (3.18) .030 (0.76) .050 (1.27) MS27488-22-2 Black *22 26,24 M39029/57-356 Orange Green Blue .125 (3.18) .034 (0.86) .060 (1.52) MS27488-22-2 Black 20 20,22 M39029/57-357 Orange Green Violet .188 (4.77) .040 (1.02) .083 (2.11) MS27488-20-2 Red 16 16,18 M39029/57-358 Orange Green Gray .188 (4.77) .065 (1.65) .109 (2.77) MS27488-16-2 Blue 12 12&14 M39029/57-359 Orange Green White .188 (4.77) .097 (2.46) .142 (3.61) MS27488-12-2 Yellow 8 Co-ax+ - - - - - .135 (3.43) .155 (3.94) MS27488-8-3 - Contact Color Codes 0 Black 1 Brown 2 Red 3 Orange 4 Yellow 5 Green 6 Blue 7 Violet 8 Gray 9 White + For PC Pin, Co-ax and Fiber Optic contacts, contact us. * Inactive for new design. All dimensions in inches (millimeters in parentheses) CONTACT TOOLSITT CANNON KJ SERIES CONTACT TOOLS - PINS
Contact Size Hand Crimp Tool Power Crimp Tool Turret Heads Use Locator Color Plastic Insertion/ Extraction Tool Insertion Tip Color Extraction Tip Color Metal Insertion Tool Color Band Metal Extraction Tool Color Band 1 Color Band 2 22D M22520/ CBT565 M22520/ - M81969/ Green White MS27495 Black MS27495 Black White *22M M22520/ CBT565 M22520/ - M81969/ Green White MS27495 Black MS27495 Black White *22 M22520/ CBT565 M22520/ - M81969/ Green White MS27495 Black MS27495 Brown White 20 M22520/ CBT530 M22520/ Red M81969/ Red Orange MS27495 Red MS27495 Red White 16 M22520/ CBT530 M22520/ Blue M81969/ Blue White MS27495 Blue MS27495 Blue White 12 M22520/ CBT530 M22520/ Yellow M81969/ Yellow White DAK95- - DRK95- - - 8 - - - - - - - - - - - - ITT CANNON KJ SERIES CONTACT TOOLS - SOCKETS
Contact Size Hand Crimp Tool Power Crimp Tool Turret Heads Use Locator Color Plastic Insertion/ Extraction Tool Insertion Tip Color Extraction Tip Color Metal Insertion Tool Color Band Metal Extraction Tool Color Band 1 Color Band 2 22D M22520/ CBT565 M22520/ - M81969/ Green White MS27495 Black MS27495 Black White *22M M22520/ CBT565 M22520/ - M81969/ Green White MS27495 Black MS27495 Black White *22 M22520/ CBT565 M22520/ - M81969/ Green White MS27495 Black MS27495 Black White 20 M22520/ CBT530 M22520/ Red M81969/ Red Orange MS27495 Red MS27495 Red White 16 M22520/ CBT530 M22520/ Blue M81969/ Blue White MS27495 Blue MS27495 Blue White 12 M22520/ CBT530 M22520/ Yellow M81969/ Yellow White DAK95- - DRK95- - - 8 - - - - - - - - - - - - ITT CANNON KJ SERIES D38999-20 TOOL KIT CONTAINS:
|
|
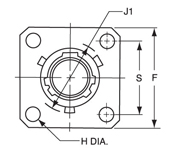
FLANGE RECEPTACLESITT CANNON KJ SERIES FLANGE RECEPTACLES
FLANGE VIEW MS27472-KJO MS27499-KJ2E MS27513-KJ2R
MS27497-KJ3 MS27508-KJ5E KJ5R
Blue Band indicates Rear Release Contact Retention System.
C Rear Thread UNEF-2A Shell Size A Dia. Max. MS27472 / KJ0 MS27499 / KJ2E MS27497 / KJ3 MS27508 / KJ5E KJ5R MS27472 / KJ0 MS27497 / KJ3 MS27472 / KJ0 J1 Dia. Max. F Max. S (T.P.) Max. H +.010 (.26) - .005 (-.13) 8 .474 (12.04) .771 (19.58) .692 (17.57) .759 (19.27) .697 (17.70) .322 (8.18) .447 (11.35) 7/16-28 0.563 (14.30) .828 (21.03) .594 (15.09) .120 (3.05) 10 1.376 (34.95) .771 (19.58) .692 (17.57) .759 (19.27) .697 (17.70) .322 (8.18) .447 (11.35) 9/16-24 0.680 (17.27) .954 (24.23) .719 (18.26) .120 (3.05) 12 .591 (15.01) .771 (19.58) .692 (17.57) .759 (19.27) .697 (17.70) .322 (8.18) .447 (11.35) 11/16/24 0.859 (21.82) 1.047 (26.59) .812 (20.62) .120 (3.05) 14 .751 (19.08) .771 (19.58) .692 (17.57) .759 (19.27) .697 (17.70) .322 (8.18) .447 (11.35) 13/16-20 0.984 (24.99) 1.141 (28.98) .906 (23.01) .120 (3.05) 16 .876 (22.25) .771 (19.58) .692 (17.57) .759 (19.27) .697 (17.70) .322 (8.18) .447 (11.35) 15/16-20 1.108 (28.14) 1.234 (31.34) .969 (24.61) .120 (3.05) 18 1.001 (25.42) .771 (19.58) .692 (17.57) .759 (19.27) .697 (17.70) .322 (8.18) .447 (11.35) 1-1/16-18 1.233 (31.32) 1.328 (33.73) 1.062 (26.97) .120 (3.05) 20 1.126 (28.60) .771 (19.58) .692 (17.57) .759 (19.27) .697 (17.70) .322 (8.18) .447 (11.35) 1-3/16-18 1.358 (34.49) 1.453 (36.91) 1.156 (29.36) .120 (3.05) 22 1.251 (31.77) .771 (19.58) .692 (17.57) .759 (19.27) .697 (17.70) .322 (8.18) .447 (11.35) 1-5/16-18 1.483 (37.67) 1.578 (40.08) 1.250 (31.75) .120 (3.05) 24 1.501 (38.13) .849 (21.56) .692 (17.57) .759 (19.27) .697 (17.70) .322 (8.18) .447 (11.35) 1-7/16-18 1.610 (40.89) 1.703 (43.26) 1.375 (34.93) .147 (3.73) All dimensions are shown in inches (millimeters in parentheses) PLUGSITT CANNON KJ SERIES PLUGS
MS27473-KJ6
Overall Length L Max. Shell Size A Dia. Max. T Class P Class C Rear Thread UNEF-2A 8 .750 (19.05) .766 (19.46) 1.020 (25.91) 7/16-28 10 .859 (21.82) .766 (19.46) 1.020 (25.91) 9/16-24 12 1.031 (26.19) .766 (19.46) 1.020 (25.91) 11/16-24 14 1.156 (29.36) .766 (19.46) 1.020 (25.91) 13/16-20 16 1.281 (32.54) .766 (19.46) 1.020 (25.91) 15/16-20 18 1.406 (35.71) .766 (19.46) 1.020 (25.91) 15/16-20 20 1.531 (38.89) .766 (19.46) 1.020 (25.91) 1-3/16-18 22 1.641 (41.68) .766 (19.46) 1.020 (25.91) 1-5/16-18 24 1.766 (44.86) .844 (21.44) 1.080 (27.43) 1-7/16-18 All dimensions are shown in inches (millimeters in parentheses) KJ FLANGED PANEL CUTOUTSITT CANNON KJ SERIES KJ FLANGED PANEL CUTOUTS
Shell Size A Front Dia. Min. A Back Dia. Min. H +/- .005 R 8 0.516 (13.11) 0.557 (14.15) 0.125 (3.18) 0.594 (15.09) 10 0.625 (15.88) 0.682 (17.32) 0.125 (3.18) 0.719 (18.26) 12 0.750 (19.05) 0.854 (21.69) 0.125 (3.18) 0.812 (20.62) 14 0.906 (23.01) 0.979 (24.87) 0.125 (3.18) 0.906 (23.01) 16 1.016 (25.81) 1.104 (28.04) 0.125 (3.18) 0.969 (24.61) 18 1.141 (28.98) 1.229 (31.22) 0.125 (3.18) 1.062 (26.97) 20 1.266 (32.16) 1.354 (34.39) 0.125 (3.18) 1.156 (29.36) 22 1.375 (34.93) 1.479 (37.57) 0.125 (3.18) 1.250 (31.75) 24 1.484 (37.69) 1.760 (44.70) 0.125 (3.18) 1.375 (34.93) All dimensions are shown in inches (millimeters in parentheses) KJ JAM NUT PANEL CUTOUTSITT CANNON KJ SERIES KJ JAM NUT PANEL CUTOUTS
Shell Size A Diameter B Flat 8 0.885 (22.48) 0.830 (21.08) 10 1.010 (25.64) 0.955 (24.26) 12 1.135 (28.83) 1.085 (27.56) 14 1.260 (32.01) 1.210 (30.73) 16 1.385 (35.18) 1.335 (33.91) 18 1.510 (38.35) 1.460 (37.08) 20 1.635 (41.53) 1.585 (40.26) 22 1.760 (44.70) 1.710 (43.43) 24 1.885 (47.88) 1.835 (46.61) All dimensions are shown in inches (millimeters in parentheses) PANEL THICKNESSITT CANNON KJ SERIES PANEL THICKNESS
Shell Size MS27497 KJ3E MS27508 KJ5E KJ5R MS27497 KJE 8 .142 (3.01) .152 (3.86) .142 (3.01) 10 .142 (3.01) .152 (3.86) .142 (3.01) 12 .142 (3.01) .152 (3.86) .142 (3.01) 14 .142 (3.01) .152 (3.86) .142 (3.01) 16 .142 (3.01) .152 (3.86) .142 (3.01) 18 .142 (3.01) .152 (3.86) .142 (3.01) 20 .142 (3.01) .179 (4.55) .142 (3.01) 22 .142 (3.01) .179 (4.55) .142 (3.01) 24 .142 (3.01) .169 (4.29) .142 (3.01) All dimensions are shown in inches (millimeters in parentheses) KJ JAM NUT PANELITT CANNON KJ SERIES KJ JAM NUT PANEL
MS27474-KJ7
Overall Length L Max. Shell Size A Dia. Max. B Class T Class P U Jam Nut Flats Max. S V Jam Nut Thread 2A C Rear Thread UNEF-2A 8 0.474 0.443 0.792 1.071 1.079 1.381 7/8-20UNEF 7/16-28 10 0.591 0.443 0.792 1.071 1.205 1.506 1-20UNEF 9/16-24 12 0.751 0.443 0.792 1.071 1.329 1.631 1 1/8-18UNEF 11/16-24 14 0.876 0.443 0.792 1.071 1.455 1.756 1 1/4-18UNEF 13/16-20 16 1.001 0.443 0.792 1.071 1.579 1.944 1 3/8-18UNEF 15/16-20 18 1.126 0.443 0.792 1.071 1.705 2.022 1 1/2-18UNEF 1-1/16-18 20 1.251 0.469 0.786 1.066 1.829 2.147 1 5/8-18UNEF 1-3/16-18 22 1.376 0.469 0.786 1.066 2.017 2.271 1 3/4-18UNS 1-5/16-18 24 1.501 0.469 0.786 1.066 2.142 2.396 1 7/8-16UNS 1-7/16-18 All dimensions in inches (millimeters in parentheses) |
|
ITT CANNON KJ SERIES ACCESSORIES
Shell Size Receptacle Dust Caps KJ Dummy Receptacles For Flanged For Jam Nut Plug Cap 8 M38999/10-8B MS27511**8C MS27511**8N MS27510**8CL 10 M38999/10-10B MS27511**10C MS27511**10N MS27510**10CL 12 M38999/10-12B MS27511**12C MS27511**12N MS27510**12CL 14 M38999/10-14B MS27511**14C MS27511**14N MS27510**14CL 16 M38999/10-16B MS27511**16C MS27511**16N MS27510**16CL 18 M38999/10-18B MS27511**18C MS27511**18N MS27510**18CL 20 M38999/10-20B MS27511**20C MS27511**20N MS27510**20CL 22 M38999/10-22B MS27511**22C MS27511**22N MS27510**22CL 24 M38999/10-24B MS27511**24C MS27511**24N MS27510**24CL ** Select code for plating: B = Olive Drab Chromate over Cadmium over Nickel (500 Hour Salt Spray) (most Popular) F = Electroless Nickel (Fluid Resistant) A = Gold Iridite over Cadmium Nickel C = Hard Anodize
Shell Size Endbells Cable Range KJ Straight, Low Cost Right-Angle, Low Cost Min. Max. 8 M85049/49-2-8** M85049/47-**8 .098 (2.49) .234 (5.94) 10 M85049/49-2-10** M85049/47-**10 .153 (3.89) .234 (5.94) 12 M85049/49-2-12** M85049/47-**12 .190 (4.83) .328 (8.33) 14 M85049/49-2-14** M85049/47-**14 .260 (6.60) .457 (11.61) 16 M85049/49-2-18** M85049/47-**18 .325 (8.25) .614 (15.60) 18 M85049/49-2-18** M85049/47-**18 .325 (8.25) .614 (15.60) 20 M85049/49-2-20** M85049/47-**20 .343 (8.71) .698 (17.73) 22 M85049/49-2-22** M85049/47-**22 .391 (9.68) .823 (20.90) 24 M85049/49-2-24** M85049/47-**24 .418 (10.6) .853 (21.67) ** Select code for connector plating: W = Olive Drab Chromate over Cadmium over Nickel (1000 Hour Salt Spray) N = Electroless Nickel (Fluid Resistant) A = Black Anodize
Shell Size Self-Locking Endbells Clamp Range KJ Straight Right-Angle Min. Max. 8 M85049/49-2#8** M85049/47#**8 .098 (2.49) .234 (5.94) 10 M85049/49-2#10** M85049/47#**10 .153 (3.89) .234 (5.94) 12 M85049/49-2#12** M85049/47#**12 .190 (4.83) .328 (8.33) 14 M85049/49-2#14** M85049/47#**14 .260 (6.60) .457 (11.61) 16 M85049/49-2#16** M85049/47#**16 .283 (7.19) .614 (15.60) 18 M85049/49-2#18** M85049/47#**18 .325 (8.25) .634 (16.10) 20 M85049/49-2#20** M85049/47#**20 .343 (8.71) .698 (17.73) 22 M85049/49-2#22** M85049/47#**22 .391 (9.68) .823 (20.90) 24 M85049/49-2#24** M85049/47#**24 .418 (10.62) .853 (21.67) # Add S for Self-Locking: S = Self-Locking with Detent ** Select code for connector plating: W = Olive Drab Chromate over Cadmium over Nickel (1000 Hour Salt Spray) N = Electroless Nickel (Fluid Resistant) A = Black Anodize Sealed EMI/RFI Orientation Endbell Types Description M85049/62 Y N S Heat Shrink Boot Adapters Designed for use with straight or right angle shrink boots. A knurled rear section with a boot groove provide an excellent surface for the boot to grab the metal endbell. Available with lock wire and drain holes. See Heat Shrink Boots. M85049/32 N N S Extender Backshell Non-environmental designed for use with jacketed cable allow extra space to break out the wires and still provide stain relief clamping to the outside of the cable jacket. M85049/17 Y Y S Extender Backshell This EMI/RFI shielding environmentally sealing endbell features a standard style cable clamp with gland seal at the end of an extender style backshell. M85049/29 N Y S Extender Backshell This EMI/RFI shielding non-environmentally sealing endbell features a standard style cable clamp. Banding Y Y S Banding Adapter Banding adapters utilize a band of metal that fastens and grounds cable shields to the outside of endbells. This method of terminating shields has advantages in that they typically use tools to tighten and trim the bands. These tools make the termination tight, repeatable, reworkable (if you make a mistake just cut the band off and start again) and facilitates service. Banding adapters help lower the total applied cost by having simpler designs that have fewer parts with uncomplicated assembly procedures. Custom S Custom Designs If the Military Standard endbells don’t fit your needs, contact us and we will customize an endbell solution to fit you. Most of these customized endbells are typically assembled in 4-8 weeks or sooner! M85049/27 N N S E Nut Wire seal compression nut All dimensions shown in inches (millimeters in parentheses) |
|
WIRE STRIPPINGITT CANNON KJ SERIES WIRE STRIPPING
Wire Size A 22, 22m, 22D .125 (3.18) 20 .188 (4.77) 16 .188 (4.77) 12 .188 (4.77) (millimeters in parentheses) CONTACT CRIMPINGITT CANNON KJ SERIES CONTACT CRIMPING
STEP 1: Insert stripped wire into contact crimp pot. Wire must be visible through inspection hole. STEP 2: Using correct crimp tool and locator, cycle the tool once to be sure the indentors are open. Insert contact and wire into locator. Squeeze tool handles firmly and completely to ensure a proper crimp. The tool will not release unless the crimp indentors in the tool head have been fully actuated. STEP 3: Release crimped contact and wire from tool. Be certain the wire if visible through inspection hole in contact. CONTACT INSERTIONITT CANNON KJ SERIES CONTACT INSERTION
STEP 1: Remove hardware from plug or receptacle and slip over wire bundle in proper order for reassembly. STEP 2: Using proper plastic or metal insertion tool for corresponding contact, position wire in tip of the tool so that the tool tip presses against the contact shoulder.
STEP 3: Press tool against contact shoulder and, with firm and even pressure, insert wired contact and tool tip into center contact cavity. A slight “click” may be heard as metal retaining tines snap into place behind contact shoulder. STEP 4: Remove tool and pull back lightly on wire to make sure contact is properly seated. Repeat operation with remainder of contacts to be inserted, beginning with the center cavity and working outward in alternating rows. STEP 5: After all contacts are inserted, fill any empty cavities with wire sealing plugs. Reassemble plug or receptacle hardware. CONTACT EXTRACTIONITT CANNON KJ SERIES CONTACT EXTRACTION
STEP 1: Remove hardware from plug or receptacle and slide hardware back along wire bundle. STEP 2: Using plastic or metal extraction tool with proper color code corresponding to contact size, place wire in tool.
STEP 3: . Insert tool into contact cavity until tool tip bottoms against the contact shoulder, expanding clip retaining tines. STEP 4: Hold wire firmly in tool and extract wired contact and tool. Repeat operation for all contacts to be extracted. STEP 5: Fill any empty cavities with wire sealing plugs. Reassemble plug or receptacle hardware. |
Philadelphia
19116
Click here for the contact information of the branch nearest you.



























































































































